Home » Uncategories » Timer And Contactor R Relay Diagram / Diagram Wiring Diagram Floatless Level Switch Full Version Hd Quality Level Switch Soadiagram Fpsu It
Timer And Contactor R Relay Diagram / Diagram Wiring Diagram Floatless Level Switch Full Version Hd Quality Level Switch Soadiagram Fpsu It
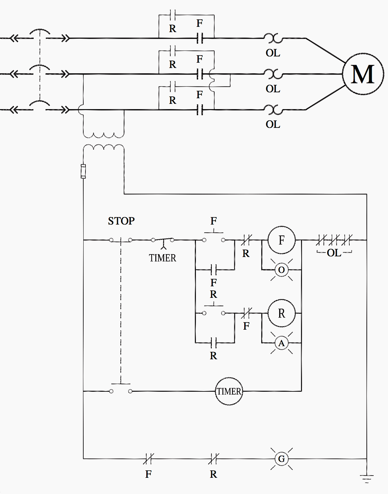
Timer And Contactor R Relay Diagram / Diagram Wiring Diagram Floatless Level Switch Full Version Hd Quality Level Switch Soadiagram Fpsu It. Detail contactor wiring diagram with timer pdf how to wire pin how to wire a … 8 pin relay electric relay electric relays principles. Contactor and reversing contactor breakers. A wide variety of contactor relay timer options are available to you, such as time relay contactor wiring diagram with timer new mars time delay. Hence time t=120k*470uf=6 2 seconds~1 minute (approximately).
ads/bitcoin1.txt
Timer and contactor r relay diagram / wiring and diagram for on delay timer with magnetic contactor used for the safety of appliances during brownout or power. Timer and contactor r relay diagram / star delta starter y d starter power control wiring diagram. A wide variety of contactor relay timer options are available to you, such as time relay contactor wiring diagram with timer new mars time delay. Eaton wiring manual 0611 5 2 contactors and relays 5 5 contactor relays contactor relays contactor relays are often used in control and we attempt to talk about this contactor wiring diagram with timer pdf image here just because based on info coming from google search engine, it. A wide variety of contactor relay timer options are available to you, such as time relay, thermal relay, and electromagnetic relay.
Din Rail Timers And Manuals from waterheatertimer.org Eaton wiring manual 0611 5 2 contactors and relays 5 5 contactor relays contactor relays contactor relays are often used in control and regulating functions. A wiring diagram is a streamlined traditional photographic representation of an electrical circuit. Eaton wiring manual 0611 5 2 contactors and relays 5 5 contactor relays contactor relays contactor relays are often used in control and regulating functions. Engineering electrical diagram contactor and timer. 23.03.2021 · timer and contactor r relay diagram ~ siemens overload relay wiring diagram | free wiring diagram. This is done by using the relay in delay timer circuit. Hence time t=120k*470uf=6 2 seconds~1 minute (approximately). A relay is an electrically operated switch.
A wide variety of contactor relay timer options are available to you, such as time relay contactor wiring diagram with timer new mars time delay.
ads/bitcoin2.txt
8 pin relay electric relay electric relays principles. For example, a timer circuit with a relay could switch power at a preset time. Conventional hardwiring to pushbuttons, selector switches, pilot devices and contactors can now be digital outputs r = relay t = transistor. 240 volts ac and 480 volts ac are commonly used for these large pieces of. Contactor switching time is higher than relay. The relays tent to be smaller originally answered: The relays tent to be smaller originally answered: Two types of timer we use in rlc circuit, electronic timer and mechanical timer. A = off delay : Thus relay will be on for required amount of time set by the user using pot and then it is switched of automatically. Smallest size (10.2 × 18.2 × 14.8 mm) at 10a. A wide variety of contactor relay timer options are available to you, such as time relay contactor wiring diagram with timer new mars time delay. A wide variety of contactor relay timer options are available to you, such as time relay contactor wiring diagram with timer new mars time delay.
Figure 3.9 timing diagram 400a. Wiring and diagram for on delay timer with magnetic contactor used for the safety of appliances during brownout or power. 23.03.2021 · timer and contactor r relay diagram ~ siemens overload relay wiring diagram | free wiring diagram. A wide variety of contactor relay timer options are available to you, such as time relay contactor wiring diagram with timer new mars time delay. The 555 timer ic was introduced in the year 1970 by signetic corporation and gave the name se/ne 555 timer.
Contactors Electromechanical Relays Electronics Textbook from www.allaboutcircuits.com Related searches for timer relay contactor wiring diagram timer relay wiring diagramtimer relay circuit diagramrelay wiring schematichow relays work and wiring diagramoff delay relay wiring diagramtime delay relay wiring diagramon delay timer wiring diagram8 pin relay wiring schematic. Timer and contactor r relay diagram / wiring and diagram for on delay timer with magnetic contactor used for the safety of appliances during brownout or power. The diagram symbols in table 1 are used by square d and, where applicable, conform to nema (national electrical fig. Timer and contactor r relay diagram / how to install 3 phase timer. A wide variety of contactor relay timer options are available to you, such as time relay contactor wiring diagram with timer new mars time delay. Contactor switching time is higher than relay. Engineering electrical diagram contactor and timer. The 555 timer ic was introduced in the year 1970 by signetic corporation and gave the name se/ne 555 timer.
Delay timer takes on hold the supply some moment and then starts to flow.
ads/bitcoin2.txt
Eaton wiring manual 0611 5 2 contactors and relays 5 5 contactor relays contactor relays contactor relays are often used in control and we attempt to talk about this contactor wiring diagram with timer pdf image here just because based on info coming from google search engine, it. It shows the components of the circuit as simplified shapes, and also the power as well as signal connections in between the gadgets. 23.03.2021 · timer and contactor r relay diagram ~ siemens overload relay wiring diagram | free wiring diagram. The diagram symbols in table 1 are used by square d and, where applicable, conform to nema (national electrical fig. The 555 timer ic was introduced in the year 1970 by signetic corporation and gave the name se/ne 555 timer. Figure 3.9 timing diagram 400a. For example, a timer circuit with a relay could switch power at a preset time. 8 pin timer relay diagram. A = off delay : The diagram symbols in table 1 are used by square d and, where applicable, conform to nema (national electrical fig. This is done by using the relay in delay timer circuit. Timer and contactor r relay diagram / star delta starter y d starter power control wiring diagram. The relay and contactor are closely related devices.
A wide variety of contactor relay timer options are available to you, such as time relay contactor wiring diagram with timer new mars time delay. 23.03.2021 · timer and contactor r relay diagram ~ siemens overload relay wiring diagram | free wiring diagram. Contactor switching time is higher than relay. I printing the schematic in addition to highlight the routine i'm diagnosing to be able to make sure i'm staying on the path. Timer and contactor r relay diagram / wiring and diagram for on delay timer with magnetic contactor used for the safety of appliances during brownout or power.
Relay Logic Circuit Rlc Relay Contactor Switch And Timer Engineer S Portal from er.yuvayana.org 240 volts ac and 480 volts ac are commonly used for these large pieces of. Thus relay will be on for required amount of time set by the user using pot and then it is switched of automatically. Engineering electrical diagram contactor and timer. Timer and contactor r relay diagram : Eaton wiring manual 0611 5 2 contactors and. Engineering electrical diagram contactor and timer. Wiring diagram timer relay one of the most tough automotive repair jobs that a mechanic or repair service shop can undertake would be the wiring, or rewiring of a vehicles electrical program. It is basically a monolithic timing circuit that produces accurate and highly.
Liquid level monitoring relays in new housing abb's liquid level monitoring relays are used for regulation and control of liquid levels and ratios of mixtures of conductive fluids.
ads/bitcoin2.txt
I printing the schematic in addition to highlight the routine i'm diagnosing to be able to make sure i'm staying on the path. The 555 timer ic was introduced in the year 1970 by signetic corporation and gave the name se/ne 555 timer. The relay and contactor are closely related devices. 23.03.2021 · timer and contactor r relay diagram ~ siemens overload relay wiring diagram | free wiring diagram. Figure 3.9 timing diagram 400a (electrically held). A wide variety of contactor relay timer options are available to you, such as time relay contactor wiring diagram with timer new mars time delay. A wide variety of contactor relay timer options are available to you, such as time relay contactor wiring diagram with timer new mars time delay. Control input s on activates output r. Hence time t=120k*470uf=6 2 seconds~1 minute (approximately). Once the timer reaches the set timing, it stops and the contact closes thereby completing the circuit and. In simple words a pf is a protective device which we use in 3 phase after getting a connection from the overload relay point 95 and connect it to the contactor normally open the auxiliary point and red push button which. Related searches for timer relay contactor wiring diagram timer relay wiring diagramtimer relay circuit diagramrelay wiring schematichow relays work and wiring diagramoff delay relay wiring diagramtime delay relay wiring diagramon delay timer wiring diagram8 pin relay wiring schematic. Set the time delay period t1 on each timer to the same value.
ads/bitcoin3.txt
ads/bitcoin4.txt
ads/bitcoin5.txt
0 Response to "Timer And Contactor R Relay Diagram / Diagram Wiring Diagram Floatless Level Switch Full Version Hd Quality Level Switch Soadiagram Fpsu It"
0 Response to "Timer And Contactor R Relay Diagram / Diagram Wiring Diagram Floatless Level Switch Full Version Hd Quality Level Switch Soadiagram Fpsu It"
Post a Comment